Характеристики
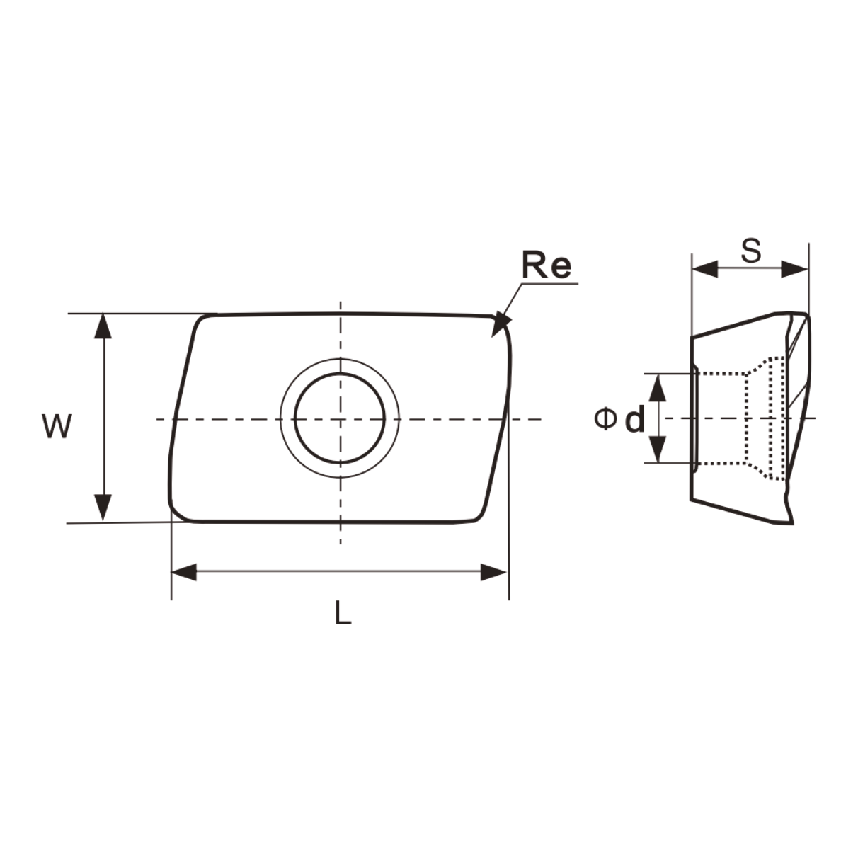
Тип пластины (форма)
Х-тригональная
Re
0.8
Обозначение формы
XOMX
⌀d
2.96
Сплав
VM1020
S
3.85
L
10.2
Обрабатываемый материал
P,
M,
K
W
6.9
Сплав
Сплав VM1020. Мелкозернистый твердый сплав, покрытый нанокомпозитным покрытием с превосходной износостойкостью и стойкостью к окислению. Используется для обработки закаленных материалов, нержавеющей стали, различных видов стали и чугунов. Обладает отличной производительностью и стабильностью при высокоскоростной обработке.
Группа обрабатываемых материалов по ISO:P, M, K.
| Материал | Марка | Sandvik | Kennametal | Iscar | Mitsubishi | Tungaloy | Kyocera | Korloy | Teagutec | Sumitomo |
| P | VM1020 | GC1010 GC2030 |
KC525M | IC908 IC910 |
VP15TF VP30RT |
GH330 AH330 |
PR660 PR830 |
PC130 | TT8020 | ACZ300 ACZ350 |
Стружколом
Стружколом M09. Позитивная и острая режущая кромка.

Сменные твердосплавные пластины
Сменные токарные пластины
