Характеристики
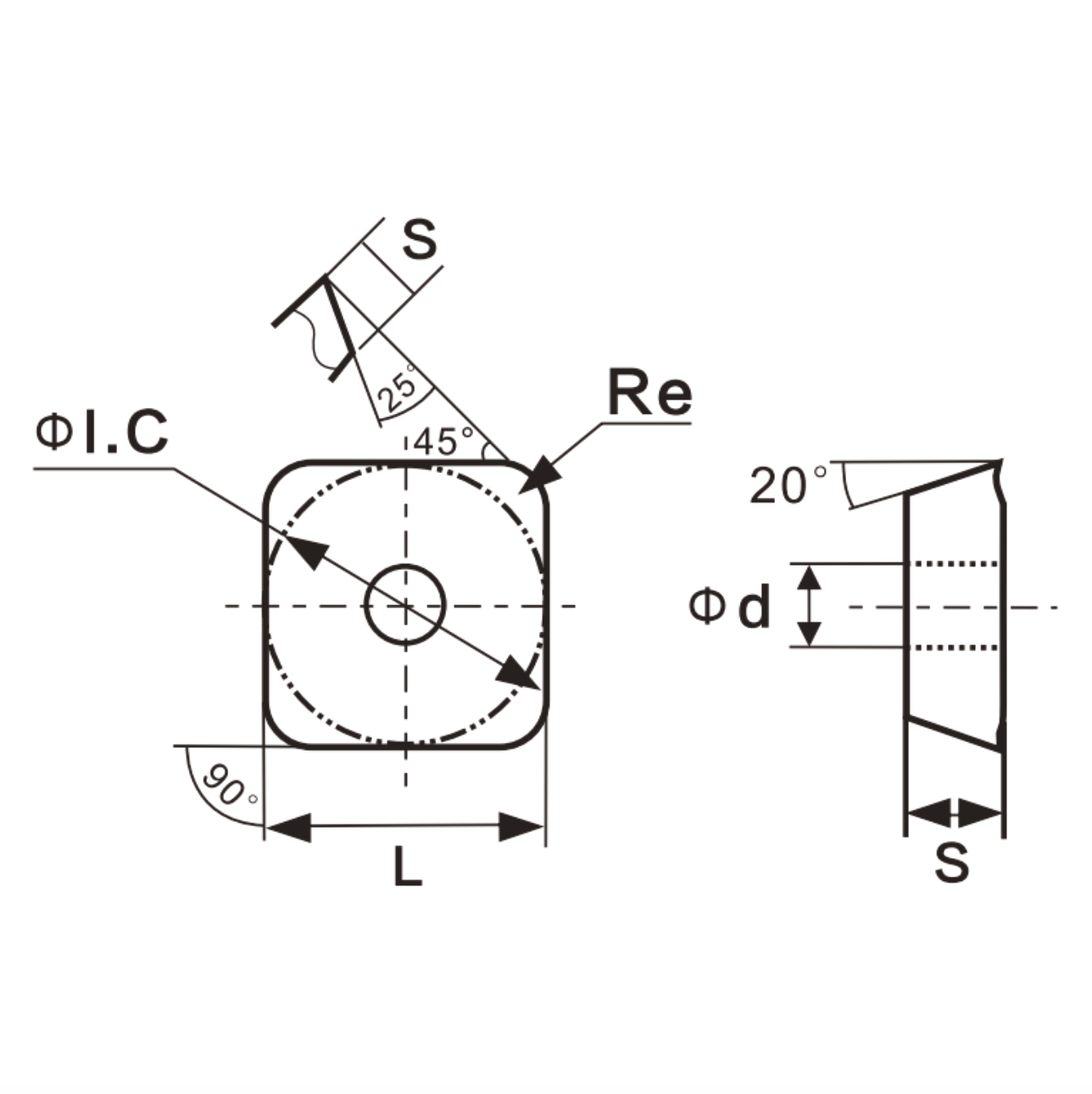
Тип пластины (форма)
S-квадратная
Re
1.6
Обозначение формы
SEMR
⌀d
3.2
øI.C
15.875
Сплав
VM1310
S
4.76
L
15.875
Обрабатываемый материал
P,
M,
S,
H
Сплав
Сплав VM1310. Мелкозернистый твердый сплав с кремнием в составе обеспечивает более высокую износостойкость и стойкость к окислению. Сплав рекомендуется для обработки закаленных сталей, нержавеющей стали, демонстрирует превосходные эксплуатационные характеристики и стабильность при высокоскоростной обработке. Основа твердого сплава – карбид вольфрама со среднем содержанием кобальта. Идеальное сочетание высокой прочности и изностойкости.
Группа обрабатываемых материалов по ISO:P, M, S, H.
| Материал | Марка | Sandvik | Kennametal | Iscar | Mitsubishi | Tungaloy | Kyocera | Korloy | Teagutec | Sumitomo |
| P | VM1310 | GC1025 | KC715M | IC903 IC950 |
VP15TF | PR730 PR830 PR1025 |
PC230 | TT7030 | ACZ310 ACP100 |
|
| M | GC1025 GC2030 |
KC715M KC730 |
IC903 IC950 |
VP15TF VP20RT |
GH330 AH330 |
PR630 PR660 PR730 |
ACP200 |
Сменные твердосплавные пластины
Сменные токарные пластины
