Характеристики
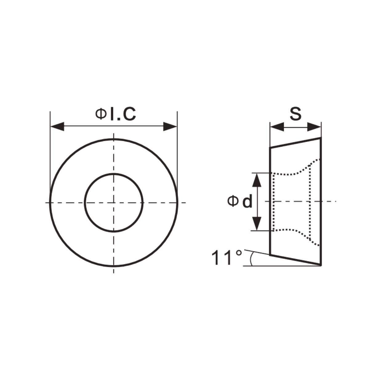
Тип пластины (форма)
R-круглая
Обозначение формы
RPMT
⌀d
4.3
øI.C
12
Сплав
VM1120
S
4.76
Обрабатываемый материал
P,
M,
K
Сплав
Сплав VM1120. Мелкозернистый твердый сплав, покрытый нанокомпозитным покрытием с превосходной износостойкостью и стойкостью к окислению. Подходит для обработки закаленных материалов, нержавеющей стали, различных видов стали и чугунов. Обладает отличной производительностью и стабильностью при высокоскоростной обработке. Предпочтительная марка для сверлильного инструмента.
Группа обрабатываемых материалов по ISO:P, M, K.
| Материал | Марка | Sandvik | Kennametal | Iscar | Mitsubishi | Tungaloy | Kyocera | Korloy | Teagutec | Sumitomo |
| P | VM1120 | GC1025 | KC522M | IC950 IC900 |
VP15TF | PR630 PR1225 |
PC3530 | TT7070 TT9030 |
ACZ330 ACP200 |
Режимы резания
|
|
Скорость резания |
Подача |
|
P |
180-300 м/мин |
0,1-0,3 мм/оборот |
|
M |
160-260 м/мин |
0,1-0,3 мм/оборот |
|
K |
180-300 м/мин |
0,1-0,3 мм/оборот |
Сменные твердосплавные пластины
Сменные токарные пластины
