Характеристики
Тип пластины (форма)
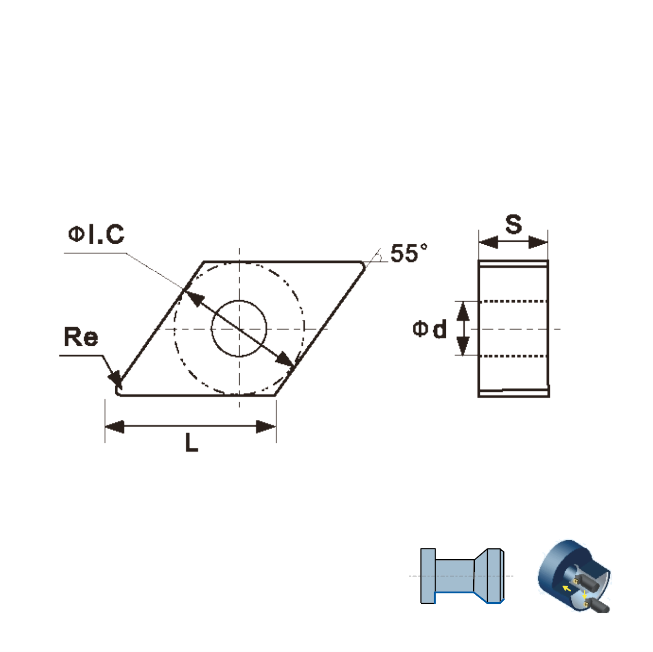
D-ромбическая 55°
Re
1.2
Обозначение формы
DNMG
⌀d
5.16
øI.C
12.7
Сплав
VM4115
S
4.76
L
15.5
Обрабатываемый материал
P
Сплав
Сплав VM4115. Сплав с покрытием CVD, предназначен для различных видов обработки (от чистовой до черновой) нержавеющей стали на средних и высоких скоростях. Позволяет уменьшить образование заусенцев, снизить появление сколов и наростов на режущей кромке, а также позволяет повысить качество чистовой обработки.
Группа обрабатываемых материалов по ISO:P.
Стружколом
Стружколом PM4 (негативные пластины) является лучшим выбором для получистовой обработки стали, обеспечивает высокоэффективную, стабильную обработку. Универсальный стружколом с достаточно широкой областью съема стружки. Характерная выпуклая форма и большой передний угол у кончика лезвия. Острота и низкое усилие резания гарантируют сохранение производительности.

Сменные твердосплавные пластины
Сменные токарные пластины
