Характеристики
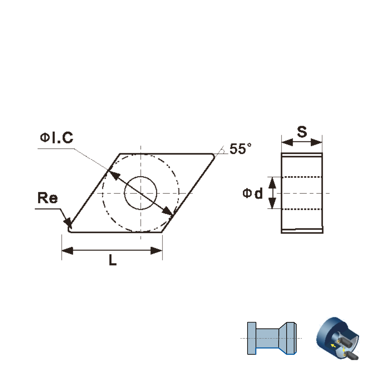
Тип пластины (форма)
D-ромбическая 55°
Re
0.4
⌀d
5.16
øI.C
12.7
Сплав
VM5020
S
4.76
L
15.5
Обрабатываемый материал
P,
M
Сплав
Сплав VM5020. Металлокерамический сплав с применением особой технологии смешивания металлокерамических адгезивов (никель, кобальт) и тугокоплавкого связующего позволил обеспечить сочетание превосходной стойкости к сколам и истиранию. Широко используется для чистовой до черновой обработки стали. Металлокерамический материал обладает отличной стойкостью к высоким температурам и тепловому удару.
Рекомендуется для обработки цветных металлов. Имеет высокую износоустойчивость и обеспечивает высокое качество обработки поверхности.
Группа обрабатываемых материалов по ISO: P, M.
Стружколом
Стружколом HS2. Специально разработанный стружколом для чистовой обработки.

Сменные твердосплавные пластины
Сменные токарные пластины
